土地生态主要是研究土地上的自然生态过程与社会经济发展之间的关系,是典型的交叉学科领域。2017年10月6日Environmental Science & Technology (浙江大学认定的Top期刊中排名前100的期刊ZJU100,IF=6.198)在线上发表了谷保静研究员课题组的关于重新评估我国氨气(NH3)挥发的论文。NH3不仅仅是雾霾组成成分,更重要的是在NH3大量存在的条件下,二氧化硫(SO2)和氮氧化物(NOx)形成PM2.5的速度会急剧增加。因此,核准NH3挥发量对控制我国的雾霾具有重要的意义。

图1 我国NH3排放、以及与沉降和卫星监测数据的比对验证(Zhang et al., 2017)
通过人类-自然耦合系统(Coupled Human And Natural Systems, CHANS)模型的计算,课题组发现我国目前每年的NH3排放量应该高于1500万吨,而且应该呈现出持续增加的趋势(图1)。但是之前的研究都认为NH3的排放量可能不足1000万吨。为此,课题组利用CHANS模型重新评估了我国NH3排放量,并利用全国氮沉降监测网络(定期收集测定空气中通过降水和颗粒物落下来多少含氮物质)和大气卫星遥感的监测数据,验证了我国NH3排放大约在1560万吨,之前工作平均低估了40%以上。并且发现90%左右的NH3挥发来自于农业土地利用,强调了农业污染排放对我国城市PM2.5的影响。同时NH3挥发和沉降之间的缺口越来越大,意味着通过盛行西风传输到太平洋的污染物量越来越多,对海洋生态系统的影响也越来越大。
同期,课题组联合中国农业大学和南京师范大学,撰写了《关于减少农业氨排放以缓解灰霾危害的建议》发表在具有重要的政策影响力的科技导报(科技建议栏目)最新一期上,正式提出我国应尽快设定农业氨减排目标。欧美国家很早注意到氨对空气质量的重要影响,欧洲在1999年签订的《哥德堡协议》中同时设定了对SO2、NOx和NH3的减排目标。在中国,无论是空气污染防治措施,还是农业发展规划,都没有设定NH3减排目标。中国当前治理雾霾集中于减少酸性污染物SO2和NOx的排放。为此,建议在国家及地方各级政府层面的环境治理目标规划中,设定农业(包括种植业和畜牧业生产)的氨减排近期和远期目标,并制订实现减排目标的具体措施。建议从逐步优化农业布局、大力促进科学施肥科研成果的推广和应用、制订规模化畜禽养殖各个环节的操作规程和氨减排措施等方面来控制我国的农业NH3排放。
实际上,谷保静研究员课题组之前已经在Frontiers in Ecology and the Environment (ZJU100,IF=8.308)上发表观点论文,从理论上阐述了农业NH3排放对城市雾霾形成的潜在贡献(图2)。2017年周卫健院士在全国两会上向李克强总理建议要控制氨排放去治理雾霾,NH3在雾霾形成中的重要性开始引起全社会包括政府高层的高度关注。

图2 农业氨排放对PM2.5形成的贡献(Gu et al., 2014)
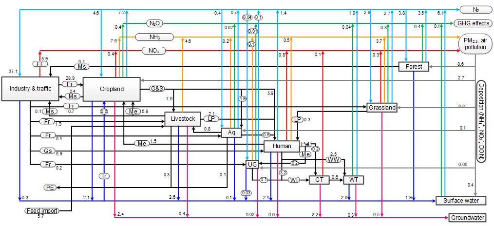
随后,课题组通过构建CHANS氮循环模型(图3),将人类社会与自然过程在土地利用的基础上整合在一起,全面分析了NH3排放的工业、农业和生活来源。发现了通过饮食结构调整、利用效率提升和增加循环利用从理论上可以降低50%以上的NH3排放。论文发表在美国科学院院刊(PNAS,ZJU100期刊,IF=9.661,综合期刊中仅次于Nature和Science)

图3 我国国家尺度氮循环过程(Gu et al., 2015)
然而,要实现PNAS论文中提及的50%以上的减排效果需要的不仅仅是技术调控,更多的是整个社会经济需要变革(图4)。化肥施用是氨排放的重要来源,课题组分析了化肥补贴和农地规模对降低化肥施用的影响。结果发现虽然补贴取消在一定程度上能够降低化肥施用,但是关键的因素仍是规模化,扩大农地规模可以显著降低化肥施用,降低氨排放,而且取消补贴的效果在大农场比在小农场更加显著。同时比对了大小农场的成本收益和效率,发现大农场表现优异。论文发表在Global Environmental Change-Human And Policy Dimensions (SCI和SSCI双收录,一区期刊,在SSCI的Environmental Studies中排名第二,IF=6.372)。

图4 不同农地规模下我国农田的化肥施用和投入产出(Ju et al., 2016)
理论上农业NH3挥发对PM2.5形成的贡献在真实世界是否存在呢?通过引入经济计量分析中的面板模型(Panel model),利用两套独立的数据(排放数据和卫星遥感数据),发现NH3的本底浓度决定了一个地区PM2.5浓度可以达到的最大值,雾霾越严重的时候,NH3排放的贡献越大。论文发表在Environmental Pollution (ZJU100期刊,IF=5.099)。

图5 我国PM2.5的空间格局及其贡献前体(Wu et al., 2016)
致谢
感谢国家自然科学基金、浙江省杰出青年基金、国家重点研发计划项目以及联合国环境署基金项目对本课题组研究的支持。感谢校内课题组各位老师和同学的辛苦付出,以及校外各位合作者的鼎力相助。
附上述提及的论文列表
Zhang, X., Wu, Y., Liu, X., Reis, S., Jin, J., Dragosits, U., Van Damme, M., Clarisse, L., Whitburn, S., Coheur, P., Gu, B*. Ammonia emissions may be substantially underestimated in China. Environmental Science & Technology, 2017, DOI: 10.1021/acs.est.7b02171. (通讯作者)
巨晓棠, 谷保静, 蔡祖聪. 关于减少农业氨排放以缓解灰霾危害的建议. 科技导报, 2017, 35, 11-12.
Ju, X., Gu, B*., Wu, Y., Galloway, J. Reducing China's fertilizer use by increasing farm size. Global Environmental Change, 2016, 41, 26-32. (通讯作者)
Wu, Y., Gu, B*., Erisman, J.W., Reis, S., Fang, Y., Lu, X., Zhang, X. PM2.5 pollution is substantially affected by ammonia emissions in China. Environmental Pollution, 2016, 218, 86-94. (通讯作者)
Gu, B., Ju, X., Chang, J., Ge, Y., Vitousek, P.M. Integrated reactive nitrogen budgets and future trends in China. PNAS, 2015, 112: 8792-8797
Gu, B., Sutton, M.A., Chang, S.X., Ge, Y., Chang, J. Agricultural ammonia emissions contribute to China’s urban air pollution. Frontiers in Ecology and the Environment, 2014, 12: 265-266.
欢迎关注浙江大学公共管理学院官方微信
关注方式:扫一扫下方二维码或者输入微信号zjuspa即可成功添加

